Svenska
Estonian
Acetec AB
EvoControl Ventilation - Touch Display — 1
1
Innehållsförteckning
Acetec AB
EvoControl Ventilation - Touch Display — 1
EvoControl Ventilation - Touch Display — 1
1.
Produktbeskrivning
2.
Översikt
2.1.
Huvudkort
2.2.
Display
2.3.
Kapacitet
2.4.
Temperatur
2.5.
Funktioner
2.6.
Tidur
2.7.
Mätvärden i realtid
2.8.
Larm
2.9.
Knapplås
2.10.
Display, språk och tid
2.11.
Återställningsfunktion
2.12.
Kommunikation
2.13.
EvoCool
2.14.
EvoCloud
3.
Beskrivning displaymenyer
3.1.
Meny 1
3.2.
Meny 2
3.3.
Flödesbild
4.
Behörighetskod display
5.
Quick Guide
6.
Beskrivning
6.1.
Display montering
6.2.
Uppstart / Startsekvens
6.3.
Driftläge Extra
6.4.
Tidur
6.4.1.
Funktion
6.4.2.
Programmering
6.5.
Larm
6.5.1.
Funktion
6.5.2.
Programmering
6.5.3.
Hantering
6.5.4.
Reservdrift / Nödläge
6.6.
Servicemeny
6.7.
Externa ingångar
6.8.
Spjällmotor
6.9.
Värmeåtervinning
6.9.1.
VVX Larmkontroll / Rotortest / Avisning
6.10.
Eftervärme
6.11.
Kyla
6.12.
Kyl-/Värmepump
6.13.
Förvärme
6.14.
Fuktgivare
6.15.
Tryckgivare
6.16.
Luftkvalitégivare
6.17.
EvoCool
6.18.
ModBus
6.19.
Test av aggregat
7.
Parametrar
7.1.
Parameterinställningar
7.1.1.
Fläkt
7.1.2.
Temperaturer
7.1.3.
Extragivare
7.1.4.
Funktioner
7.1.5.
Knapplås
7.1.6.
Larminställningar
7.1.7.
Display / Språk / Tid
7.1.8.
System / Nätverk
7.1.9.
Återställning
7.2.
Mätvärden
7.3.
Parameterlista
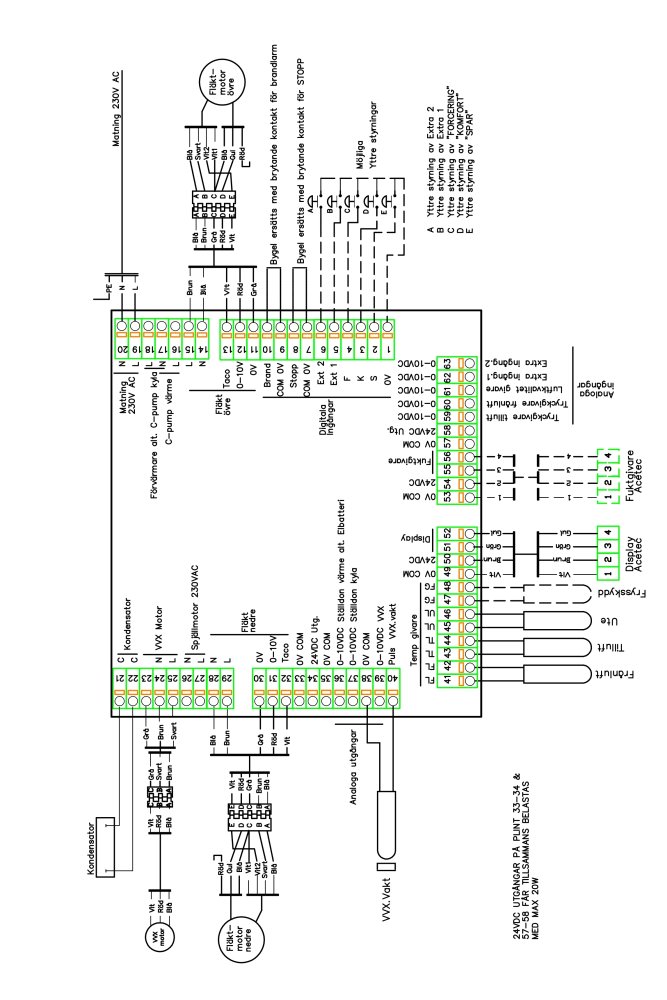
8.
Elschema
8.1.
A100S & A110T
8.1.1.
Gamla A100S & A110T
8.2.
A170T, A200S, A230T, A250S
8.2.1.
Gamla A170T, A200S, A230T, A250S
8.3.
A400S & A390T
8.4.
Gamla A250S & A230T
8.5.
A590T
8.6.
A600S/T
8.7.
A890T
8.7.1.
Gamla A890T
8.8.
A900S/T
8.8.1.
Gamla A900S/T
8.9.
A1 & A2
8.9.1.
Kort
8.10.
M1 & M2
8.10.1.
Kort
8.11.
R20 & R25
8.12.
R40, R50 & R70
8.13.
Stegmotorkort
9.
Programversioner
Ladda ner som pdf
8.5.
A590T
8.4.
Gamla A250S & A230T
8.6.
A600S/T
Need more help with this?
Support
Hjälpte detta?
Ja
Nej
Du har indikerat att detta ämne inte hjälpte dig...
Det vore hjälpsamt om du kunde kommentera varför. Tack på förhand.
×
Tack för dina kommentarer.