![]() |
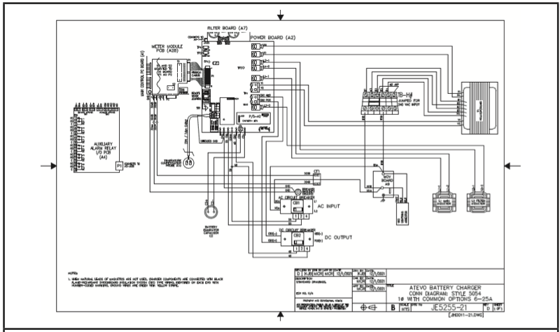
| standard (http://www.atseries.net/PDFs/JE5255-01.pdf) optional (http://www.atseries.net/PDFs/JE5255-21.pdf) |
Last modified:
3 August 2023
¿Necesitas más ayuda?
No dudes en ponerte en contacto con nosotros aquí.



