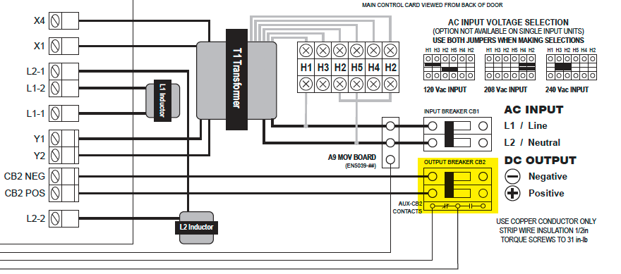
Located at bottom-center of ATevo. Protects ATevo dc wiring, and can be used to disconnect ATevo from battery and system dc load(s).

Last modified:
18 July 2023
¿Necesitas más ayuda?
No dudes en ponerte en contacto con nosotros aquí.


