Acetec AB
EvoControl Ventilation - MPO1 Display — 1
1
Innehållsförteckning
Acetec AB
EvoControl Ventilation - MPO1 Display — 1
EvoControl Ventilation - MPO1 Display — 1
1.
Produktbeskrivning
2.
Översikt
2.1.
Huvudkort
2.2.
Display
2.3.
Kapacitet
2.4.
Temperatur
2.5.
Funktioner
2.6.
Tidur
2.7.
Mätvärden i realtid
2.8.
Larm
2.9.
Knapplås
2.10.
Display, språk och tid
2.11.
Återställningsfunktion
2.12.
Kommunikation
2.13.
EvoCloud
3.
Beskrivning displaymenyer
3.1.
Meny “Huvud”
3.2.
Meny “Drift”
3.3.
Meny “Meny”
4.
Behörighetskod display
5.
Quick Guide
6.
Beskrivning
6.1.
Display montering
6.2.
Uppstart / Startsekvens
6.3.
Driftläge Extra
6.4.
Tidur
6.4.1.
Funktion
6.4.2.
Programmering
6.5.
Larm
6.5.1.
Funktion
6.5.2.
Programmering
6.5.3.
Hantering
6.5.4.
Reservdrift / Nödläge
6.6.
Externa ingångar
6.7.
Spjällmotor
6.8.
Värmeåtervinning
6.8.1.
VVX Larmkontroll / Rotortest / Avisning
6.9.
Eftervärme
6.10.
Kyla
6.11.
Förvärme
6.12.
Fuktgivare
6.13.
Luftkvalitégivare
6.14.
ModBus
6.15.
Test av aggregat
7.
Parametrar
7.1.
Parameterinställningar
7.1.1.
Fläkt
7.1.2.
Temperaturer
7.1.3.
Extragivare
7.1.4.
Funktioner
7.1.5.
Knapplås
7.1.6.
Larminställningar
7.1.7.
Servicemeny
7.1.8.
Display / Språk / Tid
7.1.9.
System / Nätverk
7.1.10.
Återställning
7.2.
Mätvärden
7.3.
Parameterlista
8.
Elschema
8.1.
A30T EPP EvoControl MPO
8.1.1.
Gamla A30T EvoControl MPO
8.2.
A50CS EvoControl MPO
8.2.1.
Gamla A50CS EvoControl MPO
8.3.
A60T EvoControl MPO
8.3.1.
Gamla A60T EvoControl MPO
8.4.
A70T EPP EvoControl MPO
8.5.
Stegmotorkort
9.
Programversioner
Ladda ner som pdf
8.1.1.
Gamla A30T EvoControl MPO
8.1.
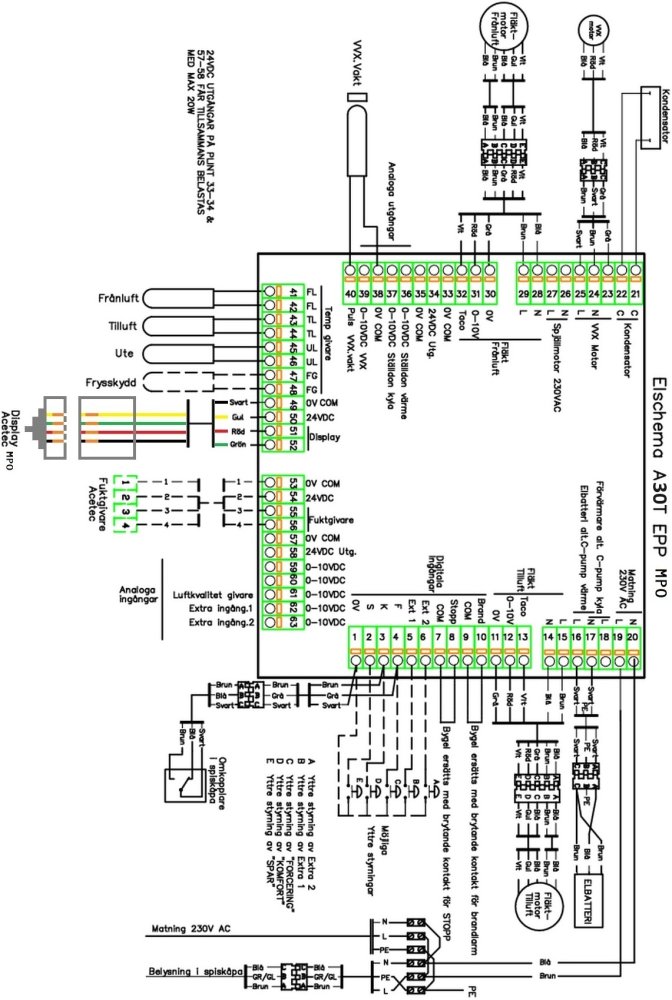
A30T EPP EvoControl MPO
8.2.
A50CS EvoControl MPO
Need more help with this?
Support
Hjälpte detta?
Ja
Nej
Du har indikerat att detta ämne inte hjälpte dig...
Det vore hjälpsamt om du kunde kommentera varför. Tack på förhand.
×
Tack för dina kommentarer.