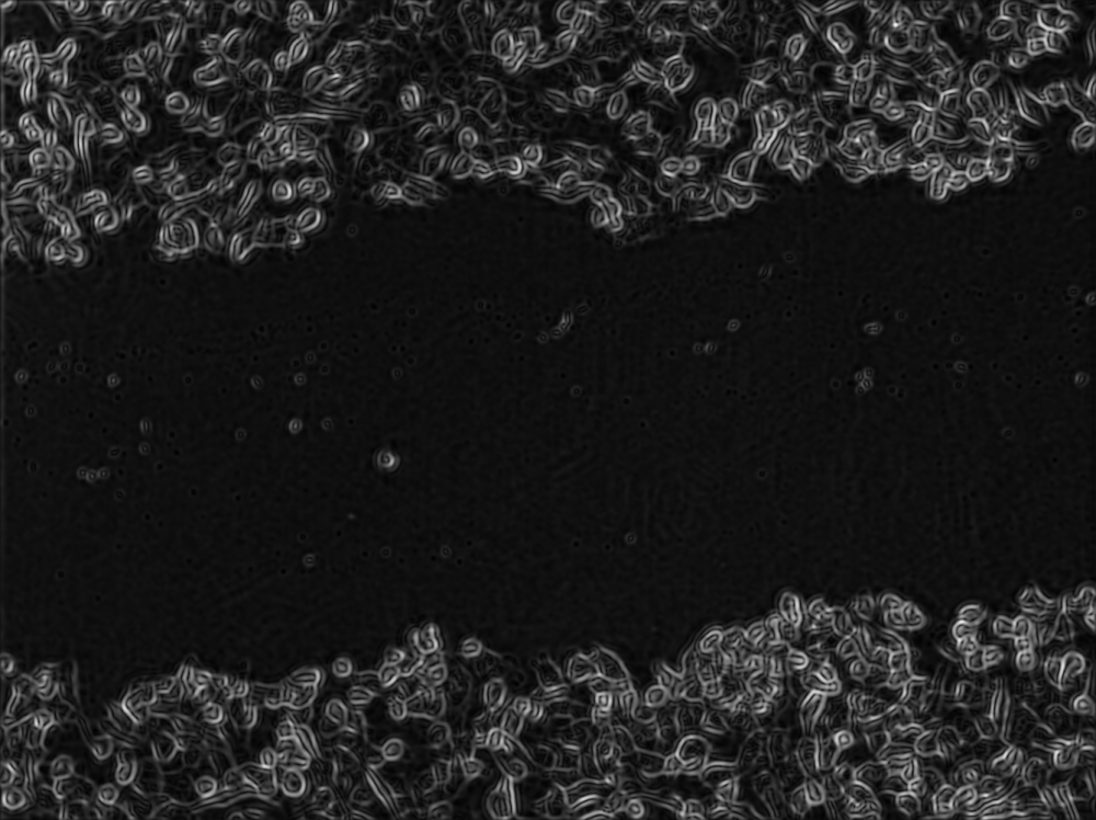
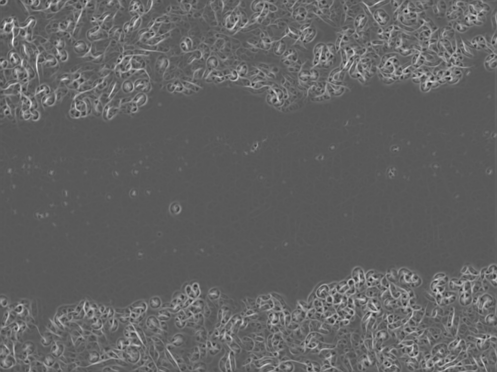
Pre-Processing > Adjust Texture
Uses advanced algorithms to highlight various forms of texture in an image. Options include measuring aspects of each pixel’s Hessian matrix [1] and Gabor filters [2].
1. Type
- Module:
- Trace:
Note that the trace of the hessian matrix is the same as the laplacian operator.
- Determinant:
This filter is well-suited to finding corners.
- First Eigen:
- Second Eigen:
- Orientation:
- Eigen Difference:
- Square Eigen Difference:
- Gabor:
2. Radius
Radius (in pixels) to consider about each pixel to calculate the specified filter.
References
[1] D. Eberly, “Ridges in Image and Data Analysis”, Kluwer Academic Publishers, 1996.
[2] Fogel, I.; Sagi, D. (1989). “Gabor filters as texture discriminator”. Biological Cybernetics. 61 (2).
Need more help with this?
Chat with an expert now ››












